• PRODUCT

    製品情報

  • 送信機

  • 受信機

  • 空用サーボ

  • カー用サーボ

  • RSパック

  • ジャイロ

  • モーター

  • ESC

  • テレメトリーセンサー

  • RC飛行機キット

  • バッテリー、充電器等

  • アクセサリー

  • フライトシュミレーター

  • コマンド方式サーボ

生産終了製品
HPS-AA701
新型HPSモーター、高周波数制御でレスポンスが向上した空用HPSサーボシリーズの大型飛行機エルロン推奨サーボ
驚異のトルクと低消費電力を実現したHPBLSシリーズの大型飛行機用サーボです。HPSシリーズは驚きのニュートラル精度と確かなトルクの確保はもちろん、これまで二律背反とされてきたスピードパワーと消費電力の関係を払拭し、確かなパワーを省電力で実現しました。新型HPSモーター、高周波数制御でレスポンスが向上しました。
HPS-AA701
¥25,300
<036057>

製品特徴

・大型飛行機用(エルロン推奨)
・メタル1-3段ギヤ
・高強度メタル終段ギヤ
・上/中/下アルミケース
・S.BUS方式

・新型HPSモーター採用

・高周波数制御


・スピード:0.075sec/60°(7.4V) / 0.08sec/60°(6.6V)
・トルク:49kgf・cm(7.4V) / 45kgf・cm(6.6V)
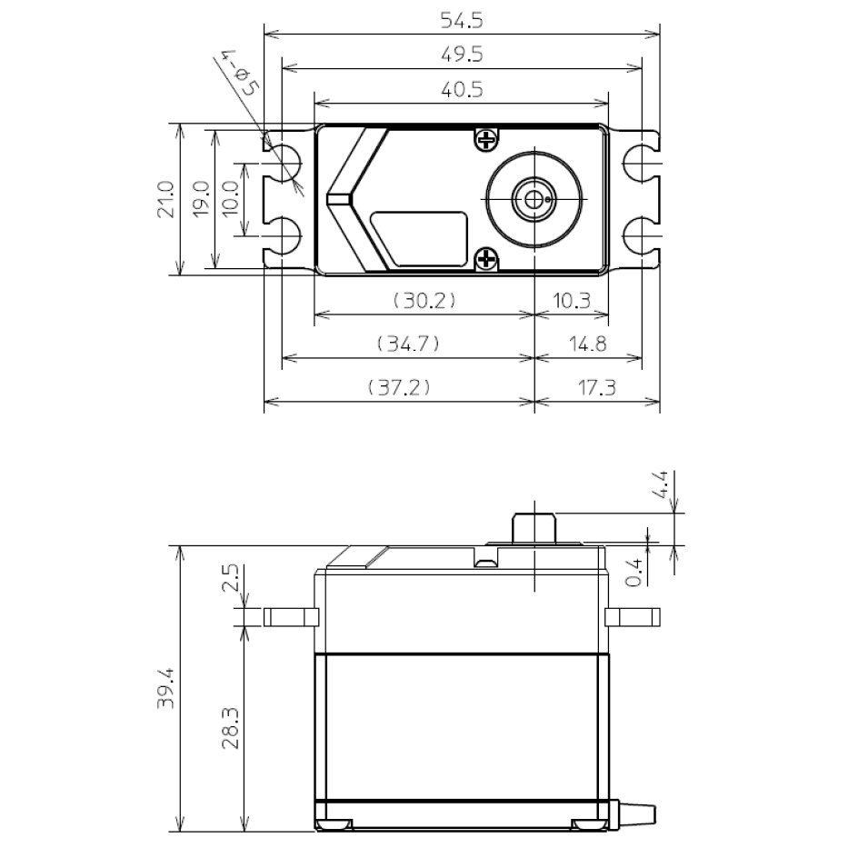
・寸法/重量:40.5×21.0×39.4mm / 80g


※HPS-AA701は高出力と応答性を両立させるため、瞬間的に大電流を必要とします。激しいアクロフライトの場合、まれに電源ラインが不安定になる可能性がありますので、S.BUSシステムでサーボを1個以上接続する場合は安全のため受信機用キャパシター(16V1800μF)をご使用下さい。接続に関しては、取扱説明書をご覧下さい。

※乾電池、BECは使用不可。

 

 

【交換用パーツリスト】

 ケースセット : 308895

 使用ホーン  : Φ6

 ホーン取付ビス: 306235

 ゴムブッシュ : 302787

 サーボ固定ビス: 300752

 ハトメ    : 302770

オプション

受信機用キャパシター
¥825
304767